Twist S2

Ballon de 2 serpentins pour production d’ECS

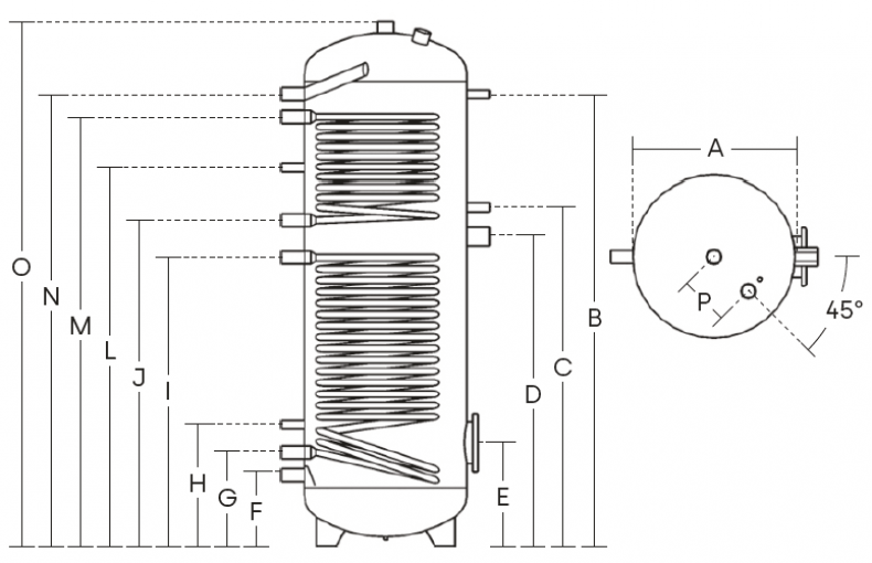
Ballon-producteur d’eau chaude sanitaire composé d’une cuve en acier et les serpentins sont recouverts d’une couche vitrifié de haute qualité et isolés avec une couverture isolante à haute densité. Comprend une protection anodique supplémentaire, un registre pour l’inspection et le nettoyage et une prise pour l’installation d’une résistance électrique, si nécessaire. Il est conçu avec toutes les connexions pour pouvoir réaliser les installations les plus complexes. La gamme à deux serpentins (S2) est idéale pour pouvoir répondre à tous les besoins d’installation. La grande surface d’échange du aux serpentins et sa résistance aux températures élevées font de la gamme Twist S2 un choix idéal pour les installations de production d'ECS les plus exigeantes.

95 °C

Température max de fonctionnement

Serpentin Anti-légionelle

Compatible avec solaire

Twist S2 Tw S2 300

Certificats (1)

Documentations techniques (1)

Brochures ventes (1)

Tratamiento Dryglass

Le traitement interne de vitrifiication Dryglass s'effectue selon les normes DIN 4753-3 et UNE 10025 et s'obtient grâce à l’application d’un émail résistant à l’eau et à la vapeur.

Après cuisson au four à 850 °C, l’émail n’absorbe pas d’eau et ne conduit pas d'ions, de sorte que l'émaillage protège la structure du ballon à 99,9 %. Le 0,1% restant s'élimine en insérant à l’intérieur une anode magnésium ou une anode électronique titane qui protège de la corrosion.

Caractéristiques et avantages

  • Ballon en acier vitrifié avec deux serpentins
  • Haute résistance aux températures élevées : jusqu’à 95 °C
  • Surface d’échange élevée des serpentins
  • Bride d’inspection de réservoir ECS standard
  • Selon les modèles, plusieurs raccords supplémentaires sont disponibles pour répondre à tous les besoins d’installation
  • Raccord double doigt de gant pour sondes de température Ø 1/2"

Cookies

Nous (AIC Europe B.V.) aimerions pouvoir installer des cookies sur votre appareil afin d'améliorer notre site Web (sur la base de rapports et de statistiques sur la façon dont vous utilisez notre site Web), ainsi que d'améliorer nos activités de marketing et la stratégie du groupe AIC pour sa présence dans l'espace virtuel (sur la base des observations de vos visites sur notre site Web et de la façon dont vous l'utilisez). Les cookies que nous utilisons sont les nôtres ou sont fournis par Google LLC basé aux États-Unis.

Consentez-vous à ce qui précède ? Votre consentement est volontaire.

Pour plus de détails voir: Politique de confidentialité, Conditions d'utilisation